ПоддержкаЧасто задаваемые вопросы (FAQ)
Рекомендации по построению систем пожарной автоматики в соответствии с СП 484.1311500.2020 изм.1
Автоматизация проектирования BolidCAD
Оборудование Болид в Едином реестре российской радиоэлектронной продукции
Приглашаем принять участие в опросе

Часто задаваемые вопросы (FAQ)

Как посмотреть ID ключа АРМ С3000?

Для того чтобы посмотреть ID ключа АРМ С3000 необходимо в web-интерфейсе программы нажать кнопку "Меню" и выбрать в нём пункт "Линии, порты, лицензии". В открывшемся окне слева, сверху в подменю нажимаем на вкладку "Количества и лицензии" на которой отобразится номер лицензионного ключа АРМ С3000.


Прикрепленные файлы:

Какая максимальная длина линии от блока С2000-СП4 до противопожарного клапана?

Максимальная длина линии подключения привода к блоку «С2000-СП4» ограничивается только сопротивлением линии.
В общем случае сопротивление должно быть таким, чтобы обеспечить требуемый ток для привода, т.е. не создавать большого падения напряжения при протекании рабочего тока.
С другой стороны сопротивление линии должно быть достаточно низким, чтобы блок мог корректно определить КЗ включенного и выключенного выхода.

Таким образом, сопротивление линии должно удовлетворять двум критериям.
1. - максимальное сопротивление линии не должно превышать 10 Ом для «С2000-СП4/220», и 3,3 Ом для «С2000-СП4/24».
2. - падение напряжение на линии вызванное номинальным током нагрузки не должно превышать 3% Т.е. для «С2000-СП4/220» – 7 Вольт, для «С2000-СП4/24» - 0,75 Вольт.

Например:
«С2000-СП4/220»;
Привод с номинальным током потребления 0,1 А;
На линии с максимальным допустимым сопротивлением 10 Ом ток нагрузки создаст падение напряжения 1В, что составляет 0,43% от номинального напряжения питания привода 230 В.
Таким образом, допустимая длина линии для такой нагрузки составит 200м кабелем с сечением 0,75мм2, или 400м кабелем с сечением 1,5мм2.

В случае если номинальное потребление привода составляет 1А
На линии с максимальным допустимым сопротивлением 10 Ом ток нагрузки создаст падение напряжения 10В, что составляет 4,34% от номинального напряжения питания привода 230 В.
4,34% больше чем допустимые 3%, значит максимальное сопротивление линии должно быть меньше 10 Ом.
Чтобы падение напряжения на линии было менее 3% её сопротивление при номинальном токе 1А, должно быть не более 7 Ом.
Таким образом, допустимая длина линии для такой нагрузки составит 150м кабелем с сечением 0,75мм2, или 300м кабелем с сечением 1,5мм2.

Для блока «С2000-СП4/24» расчёты аналогичны с учётом значений максимального падения напряжения 0,75 Вольт, и сопротивления линии 3,3 Ом.

Будет ли Центр обновлений показывать новые версии прошивок приборов?

Данный функционал планируется в следующих версиях.

Какая версия АРМ «Орион Про» необходима для работы Центра обновлений?

«Центр обновлений АРМ «Орион Про» поддерживает все версии АРМ «Орион Про» начиная с 1.20.3.8 и новее.

Не работает USB-преобразователь на windows 10(11)

Нужно отключить автоматическую установку драйверов в WIN10(11)
Нужно отключить проверку подлинности сертификата драйвера в WIN10(11)
Удалить устройство вместе с драйвером.
Вынуть из USB преобразователь.
Отключите антивирусы и брандмауэр (ВСЕ ВСТРОЕННЫЕ И УСТАНОВЛЕННЫЕ), они могут влиять на опрос СОМ-порты( в особенности в win10 и win11 ).


Установить драйвер - https://bolid.ru/files/373/566/xrusbser_2500.zip и https://bolid.ru/files/373/566/CP210x_Universal_Windows_Driver.zip
Вставить преобразователь, проверить галочку rs485 в свойствах СОМ-порта(для драйверов XR21), проверить работу в Urpog.

Отключить автоматическую установку драйверов:
Этот вариант доступен только для Windows 10 Pro и выше.
Нажмите Win + R
Введите команду gpedit.msc и нажмите Enter
Перейдите в ветвь Конфигурация компьютера - Административные шаблоны - Система - Установка драйвера
Кликните на параметр Отключить запрос на использование Центра обновления Windows при поиске драйверов два раза
Нажмите Включено, затем Применить и ОК

Так же - Перейдите в ветвь Конфигурация компьютера - Конфигурация компьютера - Система - Установка драйвера
Кликните на параметр Отключить запрос на использование Центра обновления Windows при поиске драйверов два раза
Нажмите Включено, затем Применить и ОК

В соответствии с каким нормативным документом пожарная техника с июля 2021 года сертифицируется на соответствие ТР ЕАЭС 043/2017?

Решение №125 Коллегии Евразийской экономической комиссии, п. 1 а)
https://docs.eaeunion.org/docs/ru-ru/01414910/clcd_28092017_125

Каков срок полезного использования оборудования ИСО "Орион"?

Согласно Постановлению Правительсва Российской Федерации от 1 января 2002 г. N 1 "О классификации основных средств, включаемых в амортизационные группы", оборудованию ИСО "Орион" наиболее подходит код 330.26.30.50 (Устройства охранной или пожарной сигнализации и аналогичная аппаратура), который входит в 6-ю группу со сроком полезного использования 10 лет.

Сколько табло/сирен можно подключить к выходам Сириус?

Сириус имеет 4 выхода с контролем на КЗ и обрыв. К 3, 4 выходу можно подключать, при необходимости, модули пожаротушения, к выходам 1, 2 нельзя. Можно все 4 выхода использовать для подключения табло и сирен. Схема подключения нескольких табло/сирен аналогична текущей схеме подключения нескольких оповещателей к выходу С2000-КПБ.
При этом защита по каждому выходу Сириуса - 2 А, а ток одновременно сработавших выходов (1 - 4) и выхода "для питания внешних устройств" не должен составлять суммарно более 2,5 А. Максимальный ток по выходу "для питания внешних устройств" не должен превышать 300 мА, может быть вовсе не задействован. Из этих данных клиенты рассчитывают, сколько табло по выходу можно подключить.
Обобщенная формула для расчета количества оповещателей по одному выходу будет выглядеть так:

N однотипных оповещателей на выходе = Imax / Iопов,

Imax – максимально допустимый ток:
- для 1 включенного выхода – не более 2 А,
- для одновременно срабатывающих двух, трех или четырех выходов не более (2,5А – Iвпвн);
Iвпвн – ток, потребляемый по выходу «для питания внешних устройств» (не более 0,3 А);
Iопов – ток потребления оповещателем;
Важно!
Если оповещатели подключаются на несколько выходов (на два, три или на все четыре) и при этом наверняка не известно, сколько выходов одновременно могут сработать, то должен рассматриваться самый «худший » вариант, что они срабатывают все 4 одновременно.

Пример, выход "для питания внешних устройств" нагружен по максимуму на 300 мА (0,3 А). При этом все 4 выхода используются для оповещателей, которые сработать должны одновременно. А каждый оповещатель потребляет 0,2 А. Расчет количества оповещателей по выходы выглядит так:
Nоп = (2,5 А - 0,3 А) / 0,2 А = 11 шт., которые распределяются на 4 выхода, например, на одном выходе 2 оповещателя, на остальных по 3 оповещателя.
Если же известно точно, что одновременно могут сработать только 2 из 4 выходов, то в этой ситуации 11 оповещателей можно распределить по этим двум выходам, тогда оставшиеся два выхода также можно будет использовать с 11 оповещателями.

Почему Вы трактуете п. 5.21 нового СП484.1311500.2020 что на одной системе нельзя собрать пожарную и охранную сигнализацию. Данный пункт говорит о системе пожарной автоматики, а не о системе пожарной сигнализации?

Мы опираемся на п.3.25 и 5.1.

3.25. Система пожарной автоматики: совокупность взаимодействующих систем пожарной сигнализации, передачи извещений о пожаре, оповещения и управления эвакуацией людей, противодымной вентиляции, установок автоматического пожаротушения и иного оборудования автоматической противопожарной защиты, предназначенных для обеспечения пожарной безопасности объекта.

5.1. СПА должны проектироваться на основе нормативных правовых актов Российской Федерации и нормативных документов по пожарной безопасности.
Примечание: в настоящем своде правил термин СПА применяется в отношении СПС и автоматизации СППЗ и не затрагивает требования к технологическому оборудованию СПА.

Проблемы с приводами с возратной пружиной.

Некоторые приводы с возвратной некорректно работают с блоками СП4/220 версий 1.14 и 1.15.
Причиной является то, что привод остаётся в режиме удержания пружины даже после того, как блок С2000-СП4/220 отключает выход и подаёт на клемму ток контроля целостности цепи.
Одним из решений для блоков версии 1.15 является разрешение управления рабочим выходом блока на время в конфигурационных параметрах С2000-КДЛ.
Достаточно 10 секундного включения рабочего выхода для того чтобы вывести привод из режима удержания. При очередном включении он будет работать корректно.
Если включение рабочего выхода не помогает, необходимо установить параллельно управляющим проводам привода резистор. Номинал выбирается так, чтобы напряжение на клеммах выключенного выхода не превышало порога, при котором внутренняя схема привода обесточивается. К сожалению, точно назвать это напряжение не представляется возможным т.к. для разных моделей разных производителей оно будет разным.
Опытным путём установлено, что в большинстве случаев достаточным является установка резистора номиналом 10кОм / 10 Вт. Допускается заменить резистор на металлопленочный конденсатор типа K73-17 номиналом 0,22 мкФ с номинальным напряжением не ниже 630 Вольт или X2, Y2 помехоподавляющие конденсаторы с номиналом 0,22 мкФ и рабочим напряжением не ниже 250 Вольт.
Резистор 47кОм / 2Вт который устанавливается в незадействованный выход блока СП4/220 в свою очередь допускается заменить конденсатором типов обозначенных выше, но с номиналом 0,068 мкФ.
Варианты схемы подключения привода с возвратной пружиной с использованием резистора и конденсатора приведены в приложении.


Прикрепленные файлы:

Сколько тегов может передавать OPC-сервер для "Орион Про"?

Версия 2.0 и новее позволяет использовать до 200 000 элементов (к элементам относятся: зона, группа зон, вход, выход, считыватель, камера, прибор, дверь). Для версии 1.20.1 и старше рекомендуем ориентироваться на 50 000 тегов.

Как объединить, интегрировать АРМ "Орион Про" и ЦПИУ "Орион"?

В текущей реализации ЦПИУ "Орион" представляет собой законченное решение и не может быть объединен с существующим АРМ "Орион Про".

Мигает индикатор "неиспраность" на Сигнал-20М версии 2.0Х.

Внутри несъемной части Сигнал-20М есть датчик вскрытия корпуса, если крышка снята или не плотно закрыта, то будет мигать индикатор "неисправность". Плотно закройте крышку прибора, придавив ее ладонью по центру после закрытия.


Прикрепленные файлы:

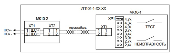
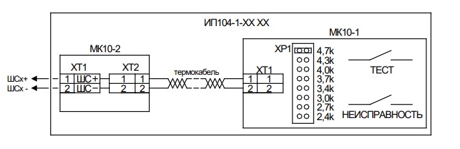
Возможно ли применения МК-3 вместо МК-2 совместно с ДИП-34А, ДИП-34ПА, С2000-ИП, С2000-ИП-ПА?

Возможно применения МК-3 вместо МК-2 совместно с ДИП-34А, ДИП-34ПА, С2000-ИП, С2000-ИП-ПА.
Письмо от ФБГУ ВНИИПО МЧС РФ о возможности применения МК-3 вместо МК-2 в приложении.


Прикрепленные файлы:

Нужен ли сертификат соответствия для МПН?

Отдельный сертификат соответствия для МПН не требуется. Письмо с разъяснением в приложении.


Прикрепленные файлы:

В данный момент я проектирую системы безопасности на базе оборудования "Болид" и ПО "Орион". Заказчики просят сертификат о том, что я могу проектировать и интегрировать эту систему и прошел учебные курсы у вас. Удаленно можно получить такие сертификаты и как?

Для проверки знания принципов работы оборудования можно воспользоваться разделом "Аттестация" в партнёрском разделе нашего сайта. В данном разделе специалисты смогут подтвердить свою квалификацию, продемонстрировав знания и опыт. Успешное прохождение теста подтверждает компетенцию специалиста и оформляется фирменным именным аттестатом со сроком действия - 1 год. Полученные аттестаты могут быть распечатаны для предъявления во внешние организации с целью подтверждения квалификации. Во избежание подделки, на аттестат создаётся прямая ссылка, по которой можно перейти на наш сайт и убедиться в истинности аттестата.
Аттестация на нашем сайте не является обязательной. Но при наличии сомнений в квалификации персонала, Вы можете воспользоваться данной возможностью проверки знаний.
В настощее время, аттестация рассчитана в первую очередь на проектировщиков, но будет полезна также и специалистам, занимающимся наладкой.

Может ли оповещатель "С2000Р-ОСТ" с надписью "Выход" работать в постоянно включенном режиме, т.е. использоваться в качестве светового оповещателя "Выход"?

СП 3.13130.2009 вводит следующие требования:
5.1 Эвакуационные знаки пожарной безопасности, принцип действия которых основан на работе от электрической сети, должны включаться одновременно с основными осветительными приборами рабочего освещения.

5.2 Световые оповещатели «Выход» в зрительных, демонстрационных, выставочных и других залах должны включаться на время пребывания в них людей.

Световой оповещатель "С2000Р-ОСТ" не запитывается от электрической сети (принцип действия не связан с электрической сетью). Таким образом он может быть выключен в дежурном режиме и включаться по сигналу «Пожар», кроме случаев, описанных в п.5.2.

В нашем охранном предприятии установлено АРМ с "Эгидой-3", в качестве приемного устройства используется УОП - 3 GSM. Возникла необходимость установить КТС на постах охраны. Подскажите, пожалуйста, есть ли техническая возможность организовать передачу сигналов от КТС по радиоканалу или GSM каналу. И, если есть, то что для этого нужно. УО-4С ставить на каждый пост дорого. Расстояние от помещения с АРМ до дальнего поста около километра, но прохождение радиосигнала затруднено зданиями и другими металлоконструкциями.

В Эгида-3 есть функционал тревожной кнопки, который позволяет воспринимать телефонные вызовы с сотовых номеров абонентов на УОП как тревожный сигнал. Иными словами, Эгида предполагает, что объект может быть оснащён стационарным мобильным устройством с SIM картой, осуществляющим дозвон на номер УОПа. Номер телефона указывается у каждого абонента, там же галочкой отмечается, что этот номер используется в качестве тревожной кнопки . При поступлении вызова с указанного номера, Эгида отображает тревожное событие в рабочем месте, и меняет состояние объекта охраны, это позволяет оператору реагировать на событие.

Стоит на сервере, на котором драйвер монитора поддерживает только 16 цветов. В результате пиктограммы в программе рисуются криво (см.Рис. 1) Можно ли это исправить?

Да проблема известная, поэтому в требованиях мы и указывали 32 бита цветности – программные библиотеки QT, которые используются в модулях рабочего места, при работе со слоями просто не могут работать с такой цветовой схемой – необходимо доустановить самую дешёвую внешнюю видеокарту и драйверы сторонних производителей
Страницы12345678910
Ctrl Предыдущая   Следующая Ctrl